不銹鋼軟密封Q41F球閥詳情介紹
Q41F不銹鋼軟密封法蘭球閥產品概述
球閥是一種重要的閥類,在石油化工、長輸管線等領域有廣泛應用。球閥的關閉件是一個帶孔的球體(或部分球),球體隨閥桿轉動,實現閥門的開啟或關閉。
在各種閥門中,球閥的流動阻力小,全徑球閥打開時,球體通道、閥體通道和連接管徑相等并成一直徑,介質幾乎可以毫無損失的流過。球閥旋轉90°即可全關全開,啟閉迅速。與相同規格的閘閥、截止閥比較、球閥體積小、重量輕,便于管道安裝。
Q41F不銹鋼球閥主要特點:
1、手動部分可采用鋼板壓制的手柄或不銹鋼鑄造的手柄。手柄設有限位結構,在閥門開啟、關閉的位置設定限位,當閥門使用在關鍵裝置上時,限位塊上設有鎖孔可鎖定開關位置避免誤操作。手柄上有明顯地開和關標識。
2、閥桿采用A182F(1Cr13)整體鍛造并調制處理,硬度達到HB220~250。閥桿通過平鍵或花鍵或方契與手柄連接,通用性Q,拆裝方便。閥桿設有防吹出結構。3、閥門的填料選用編結、柔性石墨密封圈或四氟烯密封圈,使得閥桿在某一潤滑情況下實現可靠的密封。4、根據需要,球閥可設計成防止靜電結構,在球體與閥桿、閥桿與閥體之間設置導電彈簧,避免靜電打火點燃易燃物質,確保系統正常。5、密封副形式多樣。根據不同工況可選用軟密封、硬密封、防火閥座等結構;DN150以下為浮球形式,DN200以下為固定球形式。6、球閥閥座處可設置輔助密封結構,在閥座和閥桿部位加裝注脂閥,緊急情況下可暫時密封,并根據需要加長閥桿以適宜埋地鋪設得場所。
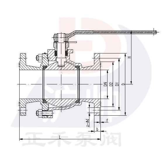
結構圖:

Q41F-16~40P/R國標法蘭不銹鋼球閥性能參數
型號 | Q41F-16C | Q41F-16P | |
工作壓力(MPa) | 1.6~2.5 | ||
適用溫度(℃) | ≤180 | ||
適用介質 | 水、蒸汽、油品 | 弱腐蝕性介質 | |
材料 | 閥體、閥蓋 | 碳素鋼鑄鋼 | 鉻鎳系不銹鋼 |
球體、閥桿 | 鉻/鉻鎳/鉻鎳鉬系不銹鋼 | 鉻鎳系不銹鋼 | |
密封圈 | 柔性石墨墊圈/316+柔性石墨墊圈 | ||
填料 | 聚四氟乙烯 | ||
Q41F-16P/R國標法蘭不銹鋼球閥 PN1.6MPa主要連接尺寸及重量
公稱通徑DN | 15 | 20 | 25 | 32 | 40 | 50 | 65 | 80 | 100 | 125 | 150 | 200 |
L | 130 | 140 | 150 | 165 | 180 | 200 | 220 | 250 | 280 | 320 | 360 | 400 |
H | 59 | 63 | 75 | 85 | 95 | 107 | 142 | 152 | 178 | 252 | 272 | 342 |
W | 130 | 130 | 160 | 180 | 230 | 230 | 400 | 400 | 650 | 1050 | 1050 | 1410 |
Wt(Kg) | 2.5 | 3 | 5 | 6 | 7 | 10 | 15 | 19 | 33 | 58 | 93 | 160 |
Q41F-25P/R國標法蘭不銹鋼球閥 PN2.5MPa主要連接尺寸及重量
公稱通徑DN | 15 | 20 | 25 | 32 | 40 | 50 | 65 | 80 | 100 | 125 | 150 | 200 |
L | 130 | 140 | 150 | 165 | 180 | 200 | 220 | 250 | 320 | 400 | 400 | 550 |
H | 59 | 63 | 75 | 97 | 107 | 142 | 152 | 178 | 252 | 272 | 342 | 345 |
W | 130 | 130 | 160 | 230 | 230 | 400 | 400 | 700 | 1100 | 1100 | 1500 | 1500 |
Wt(Kg) | 2.5 | 3 | 5 | 6 | 7.5 | 10 | 15 | 20 | 33 | 60 | 93 | 175 |
Q41F-40P/R國標法蘭不銹鋼球閥 PN4.0MPa主要連接尺寸及重量
公稱通徑DN | 15 | 20 | 25 | 32 | 40 | 50 | 65 | 80 | 100 | 125 | 150 | 200 |
L | 130 | 140 | 150 | 180 | 200 | 220 | 250 | 280 | 320 | 400 | 400 | 400 |
H | 59 | 63 | 75 | 85 | 95 | 107 | 142 | 152 | 178 | 252 | 272 | 342 |
W | 130 | 130 | 160 | 230 | 230 | 400 | 400 | 700 | 1100 | 1100 | 1500 | 1500 |
Wt(Kg) | 3 | 4 | 5 | 7 | 9 | 12 | 18 | 28 | 46 | 75 | 106 | 190 |
